TQ-813音叉粘度计

型号:TQ-813

应用:TQ-813V插入式粘度计是安装在管道上、敞开或密闭储罐中,可连续、实时在线测量流体粘度的传感器,用于以粘度做为最终产品首要控制参数的过程控制。

特点:◆ 无可动部件 – 减少维护量 ◆ 粘度、密度和温度的连续测量 ◆ 参考粘度和密度测量

产品简介

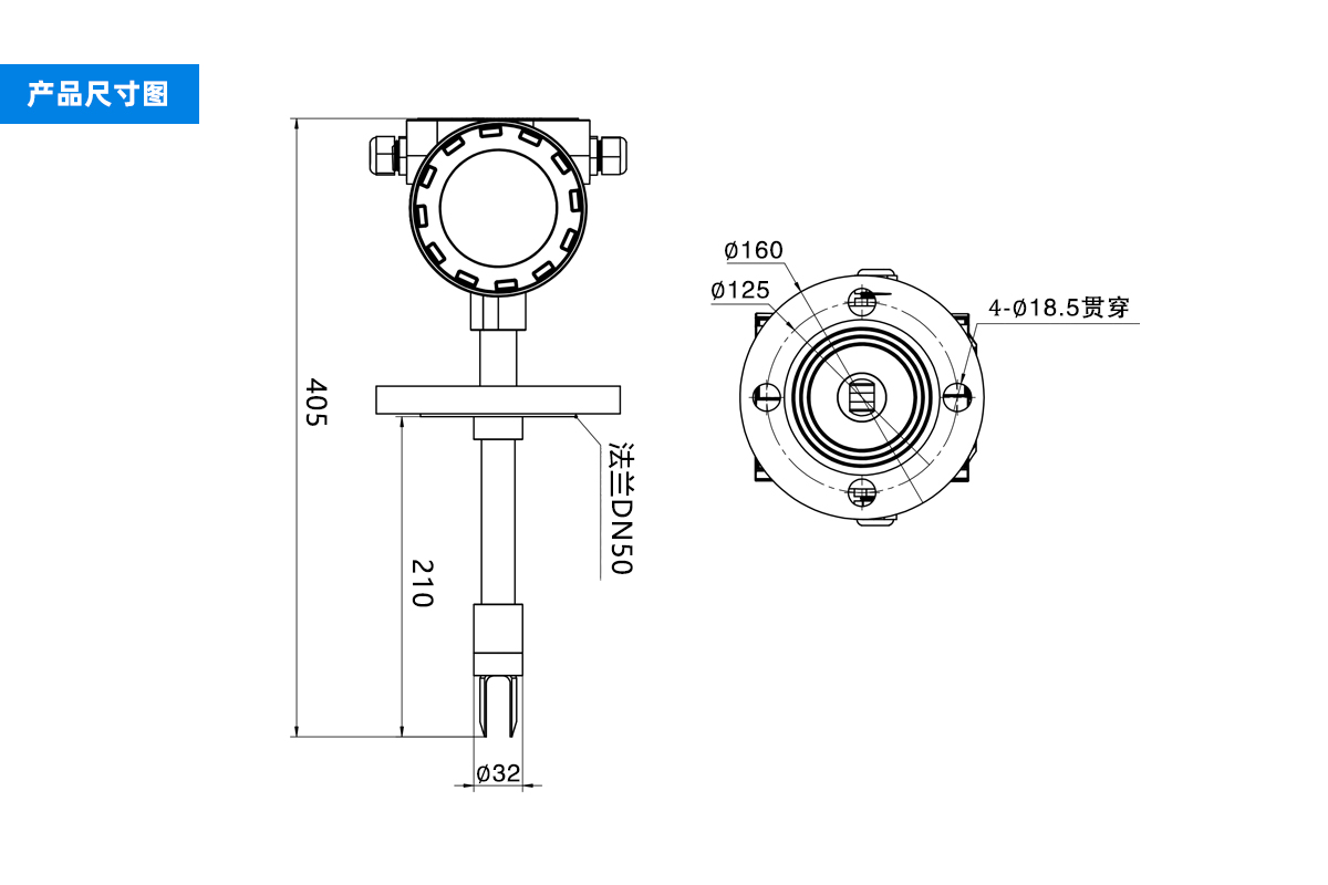
TQ-813音叉式在线粘度计是我公司专业针对船舶加热供油系统和大型机械润滑系统开发研制的一款在线粘度计,产品同样适用于低粘物料。

在船舶和电力应用中,TQ-813音叉式在线粘度计是发动机、涡轮和燃烧器所用重质燃料油 (HFO) 的测量与控制领域的创新。通过多变量设计,TQ-813在线粘度计可实时精确地测量粘度、密度和温度,使真正的运动粘度分析成为可能。

仪表集成了以上参数,形成一个完整的变送器,标准配置为两个模拟输出。


产品特点

   无可动部件 – 减少维护量

   粘度、密度和温度的连续测量

   参考粘度和密度测量

   用户可组态的 4-20 mA 输出

    MODBUS 可输出全部参数

   带 PFA 涂层的传感器,可抵抗产物/沥青质的附着

   适配器适用于采用现有技术的船舶用粘度计

   动态粘度和运动粘度

   参照粘度和密度的精确在线测量

   更加可靠:无可动部件或密封件

   可采取直接插入管道或毛细管粘度计安装方式

   抗堵塞和抗杂质的能力更强

   重复性好


产品应用

   船舶和电力行业重质燃料油燃烧器控制

   燃油增压器组

   涡轮油粘度控制

   更新现有粘度计技术


技术参数

测量范围

0-500cP(可根据实际需求设定)

测量精度

1%(特殊条件请联系技术)

重复性

±0.1cP

操作温度范围

10℃~+50℃

最大工作压力

207bar(3000psi)

温度系数

0.1cP/℃

压力影响

可忽略不计

内置温度传感器

PT1000

接液材质

标准产品:316L不锈钢(特殊材质客户可选)


叉体涂层

标准型,电解抛光

供电电源

24VDC

模拟型号输出

4-20mA,隔离式,非自供电型lpsum

输出精度(20℃)

读数的±0.1%或0.05%FS

输出重复性

±0.1%FS

过程连接

ANSI150~1500RF;DIN50PN40和PN100;IDF和RJT卫生型

防护等级

IP65

外壳

铝合金铸件


Copyright © 2025 北京世通科创技术有限公司 版权所有

京ICP备15064413号