TQ-884振动式直管密度计的应用主要包括原油、石油产品和非腐蚀性过程液体等贸易交接计量,它可以在管道运行条件下提供高精度和重复性的计量检测。产品振动原件由Ni-Span-C合金制造,具有长期的温度稳定性,接液材质可接受特殊材质定制。
TQ-884型液体密度计使用振动管测量密度。当液体密度变化时,它将影响密度计的振动质量,振动频率发生变化,振动频率与过程流体的密度成反比。
TQ-884振动式直管密度计的应用主要包括原油、石油产品和非腐蚀性过程液体等贸易交接计量,它可以在管道运行条件下提供高精度和重复性的计量检测。产品振动原件由Ni-Span-C合金制造,具有长期的温度稳定性,接液材质可接受特殊材质定制。
TQ-884型液体密度计使用振动管测量密度。当液体密度变化时,它将影响密度计的振动质量,振动频率发生变化,振动频率与过程流体的密度成反比。
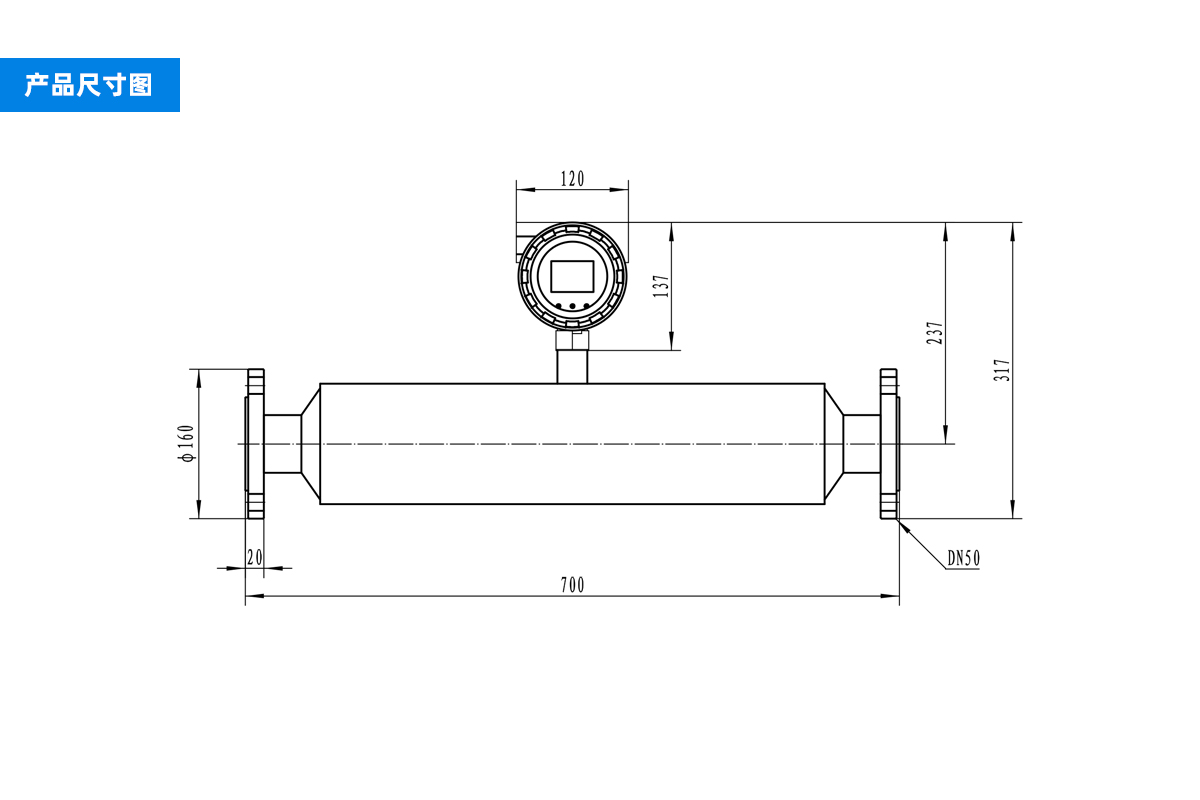
◆ 单直管结构
◆ 可以测量含有大量气泡的浆液和结晶、大粘度工况等
◆ 多种材质和法兰可选
◆ 高精度连续测量
◆ 装置适用于恶劣环境、可安装于危险区域
◆ 对工厂振动、压力、温度影响不敏感
◆ 无需改变现存的配对法兰,降低安装成本
◆ 在流通介质出现内部故障时,控制介质泄露
输出信号 4线制4-20mA+Hart或RS485通讯
供电电源 24VDC
就地显示 4位半数字或5位液晶显示
仪表精度 0.1%
重复精度 <0.1%
量程调整 通过数字通讯调整互不影响
温度范围 环境:-40~85℃;过程:-20~100℃
启动时间 电源接通后5秒启动
阻尼调整 0-30秒(通过数字通讯调整)
性能参数 | 精度 | ±0.001g/cc | ±1.0 kg/m3 | ||
工作范围 | 0~3 g/cc | 0~3000 kg/m3 | 0至 187.4 lb/ft3 | ||
重复性 | ±0.0001 g/cc | ±0.1 kg/m3 | ±0.006 lb/ft3(每 °C) | ||
过程温度影响(已校正) | ±0.0001 g/cc | ±0.1 kg/m3 | |||
过程压力影响(已校正) | 忽略不计 | ||||
过程温度 | –50℃~+150℃(–58℉~+302℉) | ||||
环境温度 | –40℃~+85 ℃(–40℉~+185℉) | ||||
最大工作压力 | TQ-884(标准型) | 2MP | |||
TQ-884(高压型) | 1450 psi (100 bar) | ||||
试验压力 | 在最大工作压力1.5倍的压力下进行测试 | ||||
防护等级 | IP65 | ||||
材质结构 | 接液部件 | TQ-884(标准型) | 不锈钢316L | ||
TQ-884(防腐型) | 合金C22、钛 | ||||
电子部件外壳 | TQ-884(标准型) | 铝合金铸件 | |||
TQ-884(防腐型) | 不锈钢或塑料 | ||||
管道抛光 | TQ-884 | 标准、电抛光 | |||
重量特性 | 重量 | TQ-884(标准型) | 典型值为45kg | ||
TQ-884(特殊型) | 取决于管道 | ||||
电源要求 | 电压 | 24VDC(需四线制) | |||
220VDC(需四线制) | |||||
输出 | 电流输出 | 4线制 | |||